2021.12.22

ラズパイ電波時計リピーター



 電波時計を合わせる電波時計リピーターを作りました。




 ラズベリーパイゼロWH(秋月電子で\2,200)の下に、ラズベリーパイ(以下ラズパイ)用のユニバーサル基板を付け、60kHzを発生する回路を乗せて、電波時計を合わせる標準電波を模した信号を発生させています。


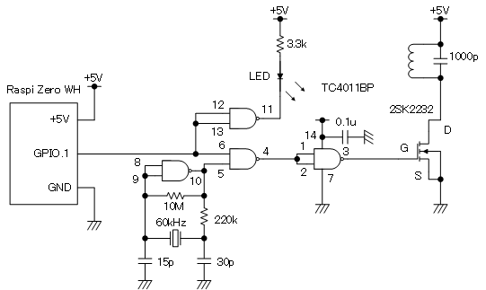
回路図

 構成は、こちらを参考にさせて頂きました。ぼほパクリです。確認のためタイムコードを点滅させるLEDと、バーアンテナの並列共振部は、当方の好みで変更しています。バーアンテナは、使わなくなったSEIKO POCKETTALKから取り出したものを使い、60kHz辺りで共振するコンデンサを付けています。



 電波時計を合わせる電波時計リピーターを作りました。時計が置いてあるところが鉄筋のビルで、せっかくの電波時計なのに合わないのです。実際に時計を合わせる仕組みですが、まずラズパイの内蔵時計をWi-Fiルーターにつないで合わせます。インターネットには、NTPサーバーというサービスがあって、正確な時間を提供しており、ラズパイを立ち上げると、Wi-Fiが掴めれば、ログイン待ち状態になる前に、時計は合っているようです。そして、ラズパイ上のプログラムで標準電波と同じタイムコードを生成し、外付けした回路でタイムコードがHiのところだけ、60kHzを発生するようにしています。(タイムコードの詳細はこちら)。60kHzにしている理由ですが、日本の標準電波は、40kHzと60kHzの2波ですが(国内で売っている電波時計も両方に対応している)手元にあった水晶が60kHzだったのと、東京では40kHzの方が強いので、誤動作した時に周囲に迷惑をかけないためです。(実際試した感じでは、数十センチ程度しか飛んでいないようですが…)


バーアンテナ側。ラズパイゼロから、5V電源とGND、タイムコード信号の計3本をもらっています。

 向こう向きにコネクタが3つ出ていますが、左から、電源用のマイクロUSB、キーボードとマウス用のマイクロUSB、モニターをつなぐミニHDMIコネクタです。マイクロSDカードが必要なのは知っていましたが、マウスやキーボード(うちではワイヤレスで両方つながるものを使用)をつなぐのにOTG(On-The-Go)ケーブルというものも必要で、あとでまた買いに行きました。ラズパイは、パソコンと同様シャットダウンする必要があり(SSHで外から入ってリモートでも消せますが)直接キーボードとモニタをつないでシャットダウンしています。




 この電波時計リピーターは、最初ラズベリーパイ4で作りました。一年前くらいに購入した、ラズパイ4スターターキットがあって、買った当時は面白がって遊んでいたのですが、その後放置していたので、それに組んでみました。このスターターキットは秀逸で、SDカードにRaspbianOS書き込み済み、透明ケース・電源付き、若干特殊なマイクロHDMIを普通のHDMIに変換するケーブルも含まれているので、HDMI入力のあるPCモニタかテレビと、USBのキーボードとマウスさえあれば、小さなコンピュータが立ち上がります。Wi-Fiチップも乗っているので、近くのWi-Fiルーターにつなぐだけで、Chromeを立ち上げてホームページを見たり、YouTubeを見たり出来ます。動画が速く動くと胴切れになるところはありますが、ラズパイの動画再生ソフトは、再生速度が変えられたり、音声に圧縮がかけられたりと、Windowsの付属ソフトより優秀です。この電波時計リピーターのプログラムはPYTHONで書かれていますが、コンパイルするのかと思ったらそのまま走ったのでビックリ。

 ラズパイ4に電波時計レピーターを組んで、しばらく使っていましたが(1号機の写真はこちら、バーアンテナは、以前 秋月で売っていた「電波時計用60kHzパーツセット」)、ラズパイ4を本目的に使うのはもったいない、ということで、安いラズパイゼロで2号機を作ってみました。当初GUIの設定でラズパイゼロ用のSDカードを焼きましたが、ラズパイゼロは非力でGUIだと何をするにもものすごい時間がかかったので、CUI(マウスで操作するのではなく、文字でコマンドを打ち込む)に替えたのでちょっと面倒でした(ラズパイ4がとても楽だった、ということを再認識)。ラズパイ4は、高性能な分CPUの発熱がすごく、放熱板を付けても60℃を越えるので、最近ケース全体が放熱板になったものを購入しましたが、ラズパイゼロの方は、電波時計用のプログラムを走らせても、ほとんど熱くなりません(一応以前ラズパイ4で使っていた放熱板をお下がりで付けています)。

[Top Page]