2003.08.06
けん引免許
けん引免許を取りました。今、必要としているわけではないのですが、以前から興味があって、「暇(とお金)があったら取ってみたい」と思っていたのです。普通免許・大型免許を取ってから時間が経っており、我流になった運転を初心に戻って見直したいという理由もあります。
けん引に興味を持った理由ですが、学生の頃、確か東名高速の下り足柄サービスエリアだったと思いますが、小型の大砲(カバーがかぶせてあったがそんな感じのもの)をけん引してやってきた自衛隊のジープが、バックして駐車場の白線内にとめようとするのですが、何度やっても、引っ張ってきた大砲(?)がとんでもない方向に曲がって、全然収まらなかったのです。とうとう助手席の上官も 「もういい」とあきらめて、駐車スペースを2台分占領したまま、自衛隊の人たちは休憩に降りて行ってしまいました(駐車場はすいていた)。あれを見て当方は、けん引でバックしてみたいと思った(^^;)のですが、今回やっとトライしてみることができました。
外部で打ち合わせをした帰りの平日に、目を付けていた教習所に行って、「けん引、混んでますか?」と聞いてみたところ、「けん引はすいてますよ」。実はバス(大型2種)が在校生150名で混んでいるそうです。一瞬躊躇しましたが、えいっと申し込みました。支払いはカード、ハンコは持っていなかったので拇印でした。目の検査を受けて、教習手順を教わりました。
けん引の場合、教習は3ヶ月以内、第1段階5時間、第2段階7時間の計12時間。第1段階は2時間まで、第2段階は3時間まで予約が入れられます。練習は2時間連続で受けられますが、3時間受ける場合は1時間以上の休憩が必要です。
予約は、パソコンや携帯でもできます。当方は主にパソコンで予約しました。画面の例はこちら。(10:45は検定の時間)
この教習所では、自分が乗っているトラクター部分を「ヘッド」、引っ張っているトレーラー部分を「台車」と呼ぶことにしています。
けん引免許には、普通や大型の区別は無いので、大型免許を持っていなくてもけん引免許を取ることは可能です。でも教習で使うヘッドは大型車(トラック)の運転席そのものなので、経験が無いと(車幅など) ちょっと厳しそうな気がします。
- 普通免許+けん引免許では、 総重量8t未満、第五輪荷重5t未満のけん引車(ヘッド)でのみトレーラー(台車)をけん引でき、そのトレーラーの大きさは 総重量750kg以上8t未満だそうです。
- 総重量750kg未満のトレーラーはけん引免許不要(普通免許だけでOK)なので、国産のキャンピングカーは750kg未満になっていることが多いようです。
教習概要
けん引で難しいのは、なんと言ってもバックです。普通の自動車でも後輪は曲がらないのに(ハンドルで切れるのは前輪だけ)、さらに(方向の)自由にならない台車が付いているのですから。まっすぐな状態でバックしても、修正しなければ、台車はそのうち右か左に曲がって行ってしまいます。検定の時は方向転換でしかバックしませんが、教習の中では直線バックも課題の一つです。直線バックでは、台車が右に曲がっていくなら右に、左に曲がっていくなら左にハンドルをちょっと切って修正するのが基本ですが、これだと台車とヘッドはまっすぐにできるけど、どこに行くかはわからない状態(^^;。それに、後退時はヘッドと台車にあまり角度が付いてしまうと復帰不能(前進で直すしかない)となるので、台車の行き先を見定めながら早め早めに修正する必要があります。
毎時間、教習の最後に、駐車スペースに戻るのですが、その際にバックで駐車スペースに平行にまっすぐにきちっととめるのが(しかも左はトラックの駐車スペースなので、できればスペース内でさらに右に寄せてとめたい)、最大の課題でした。思った通りにまっすぐに入ると本当に嬉しいです。
東京都のけん引教習では、とても短い台車が使われています。短い方が簡単に思われるかもしれませんが、実は反対です。手の上でエンピツを立てるのに似ている(長い方が簡単)と言えば、ご理解頂けるでしょうか。
教習詳細
日付 教習 内容 6/29 適正検査 けん引には学科はないのですが、適性検査は受けないと技能に入れないそうです。知能検査のような試験や性格診断、運転適性を問うテスト。マークシート式で、自分に正直に答えてみたところ、当方の総合評価は運転適性度3(1−5)、安全運転度C(A−E)とどちらも中庸でした。 7/6 教習1 最初に教官にお手本を見せて頂き、途中で交代。外周に障害物あり、レーンチェンジ時にルームミラー・ドアミラー・目視の3点確認、久しぶり。左折時の小回りや、右折時の矢印に沿った大回りなど、普通免許と変わりません。
台車が脱輪してもヘッドには乗り上げた感じが伝わって来ません。ミラーを良く見ていないと危険。この日はバックはせず、教官にしまってもらいました。次回からは当方にしまってもらうとのこと。7/12 教習2・3 この日以降、始めから運転席。バックで幅寄せの練習、いつもと反対にハンドルを切るので頭が混乱します。台車の動きを良く見て、早め早めに対処しないと、角度が付き過ぎてどうにもならなくなります。2時間目の最後は区切り線を踏んで駐車、3時間目の最後はたまたま?うまく駐車させることができました。 7/20 教習4・5 この日は始めて左右の方向転換を練習しました。具体的な手順はあとで出てきますが、同じようにやっても教官ですら同じには入らないそうです。もちろん教官は動きを見て補正しますが、同じようにならない様子をボーリングのストライクに例えていました。
踏切でシフトアップして「台車が踏切を出るまでシフトアップしない!」と注意を受けました。7/26 教習6・7 第2段階です。方向転換は右はうまく行きますが、左は角度が足りません。見通しの悪い交差点で、左方の車は止まっているように見えましたが、「左方優先だよ」と注意を受けました。検定の際に同じシチュエーションだと落ちそう。この日から、検定コースを教え始めました。 8/3 教習8・9 この日の方向転換は右も左も曲がりました。教官は角度不足の方が付き過ぎよりは良いとのこと。今日の教官は指導教官ということで、けん引の危険性は、カーブでアクセルを緩めただけで台車が横転する不安定性にあり、と指導教官らしいお言葉を頂きました。 8/4 教習10 けん引は方向転換が難しいので、最初に方向転換の練習をするし、優先なのだそうですが、大型1種や2種(バス)も同じスペースで方向転換の練習するので混み合っています。この日の教官は暑がりらしく助手席の窓を閉めているので、方向転換の練習のあと、気を利かして運転席側の窓を閉めていたら、「踏切では窓を開けよ」と注意されました。検定時は窓は閉めないことにします。 8/5 教習11・12 最初に方向転換の練習。左の方向転換は角度をもうちょっと付けて、何とか検定でも出来そうな感じ。あとは検定のコースを繰り返し走って注意点を覚えます。S字の入り口で一回左後輪を接輪。バックしてやり直すわけですが、ただでさえバックは大変なのに…(^^;。慣れてきて、コースを走っている普通車の運転を見る余裕が出てきました。高齢者教習という車も走っていて、一時停止をせずにゆっくり通過。教官は「いつも止まっていないし」、「君が子供の頃から運転しているんだよ」って言われる、とおっしゃっていました(^^; 8/6 卒業検定 最近緊張していない、緊張したい、という気持ちもあって教習を受け始めましたが、緊張で手と(クラッチを踏む)足がふるえました。落ちると1時間以上の教習と再卒検で約18,000円プラスです。けん引の受験者は計2人。最初に当方が受験し、もう一人の人は検定官との間に座り、当方が終わったら交代。試験の証人ということでしょう。いつものけん引車(207号車一台しかないので)の天井に、「検定中」の黄色い表示をマグネットで付けて検定開始。直線でふっとメーターを見たら45kmであわててアクセルを緩めましたが、方向転換は得意な右側。残りのコースも接輪することなく終わることが出来ました。「検定中」ということで、周回からの右折や、周回への右折時などに、他の車が遠くから発見して止まって(ゆずって)くれます。これなら検定官にブレーキを踏まれて落ちることもあまりないでしょう。結果は2人とも合格。缶コーヒーをごちそうになってアンケートを書いて、粗品(ドライバーセット)を頂きました。最後にけん引についての注意、(1)カーブでのスピードに注意、(2)ブレーキは分けて踏む、(3)駐車する場所にも注意、(4)飲酒運転厳禁。「大型2種もやってます」と宣伝を受けて、卒業証書を頂きました。
検定の日は限られていて、8/6、8/15、8/20でした。8/4に気が付き、急きょ8/5に最後の2時間教習を入れ、無事に「みきわめOK」を頂きました。検定は日にちだけでなく、人数も限られているのですが、一人分枠が空いていて良かった。8/15だと、その間にオートマチック(自分の車)に乗る機会が入って、教習の感が鈍る恐れがありました。
卒業証書をもらった足で、そのまま鮫洲に行って免許を書き換えました。\3,800でした。
方向転換
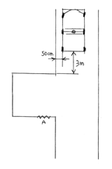
方向転換・右側の場合
![]()
縁石の左50cmに寄せて、ヘッドと台車を縁石に平行にします。距離的には図の距離を3mにするのですが、運転席から後ろを見ていて、台車の陰に隠れていたAの縁石が見え始めたところが3mです。この位置でハンドルを半回転左に切ってバックを開始します。
![]()
ヘッドと台車に60°の角度が付くまでバックします。具体的には、当方の場合、台車の左後輪が(台車の下から)7割ほど見える位置です。ここでハンドルを右に2回転(センター位置からだと右に1回点半)して、さらにバックします。
台車とヘッドに角度が付くことを「折る」とか「折れる」と言い、角度が減ることを「伸ばす」とか「伸びる」と言います。この、台車とヘッドが60°で、ハンドルを中央から1回転半回した位置は、このまま下がると、これ以上折れることもなく、伸びることもない、バランスの取れた位置なのだそうです。
![]()
図の位置まで下がったらハンドルを全部右に切ってバックします。当方の場合、台車に入っているスジBが街路灯Cに重なったポイントです。
ハンドルを全部切ると、ヘッドと台車は伸びていきます。
![]()
台車とヘッドが平行になったらハンドルを(左に2回転回して)まっすぐに戻します。ここで図のように、縁石とも平行になれば良いのですが、ならないことの方が多いです。でも、方向転換では、ヘッドと台車とタイヤはまっすぐにしなければなりませんが、縁石とはまっすぐになる必要はないので、出て行けるところまでバックしたら、(また曲がらないうちに)教官(試験官)に「入りました!」と宣言します。
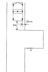
方向転換が左側の場合
![]()
縁石の右50cmに寄せて、ヘッドと台車を縁石に平行にします。台車の陰に隠れていたAの縁石が見え始めたところが3mです。この位置でハンドルを半回転右に切ってバックを開始します。
![]()
ヘッドと台車に60°の角度が付くまでバックします。具体的には、当方の場合、台車の左側面にあるウインカーが見えた位置です。ここでハンドルを左に2回転(センター位置からだと左に1回点半)回して、さらにバックします。
![]()
図の位置まで下がったらハンドルを全部左に切ってさらにバックします。当方の場合、台車上部に付いている赤いランプBと一番奥の黄色いポールCが重なったポイントです。
![]()
台車とヘッドが平行になったらハンドルを中央に戻し、「入りました!」と宣言します。
当方の場合、右の方向転換は結構早い段階から問題ない程度に入ったのですが、左の方向転換はほとんどの場合、折れが不足して、教官に「まだ曲がっているうちにハンドルを中央に戻してもう一度折れ」との指示を受けました。もう一度曲げるのは良いのですが、応用は利かないので、そのあとハンドルを切る場所とその量が問題で、食い込んだり、(台車とヘッドが)まっすぐになる前に奥がつっかえたりします。検定が左の方向転換だといやだな、と思っていたのですが、右でラッキーでした。
方向転換のムービングGIFを作ってみました。こちら。
卒検コース
中央下の検定小屋から番号順に走ります。
おわりに 最短で卒業しましたが、金額的には結構かかりました。
よめさんには(金額面の)お許しは頂きましたが、「自己満足そのものね」と、あきれられています(^^;。
入学金 55,650 適性検査 2,520 写真 735 技能2H 13,020 技能10H 65,100 卒業検定 5,985 証明書 5,985 計(税込み) \148,995
東急自動車学校
[Top Page]